Sparky S Answers 2004 Chevrolet Trailblazer Identifying Heater A C Actuators

Sparky S Answers 2004 Chevrolet Trailblazer Identifying Heater A C Actuators

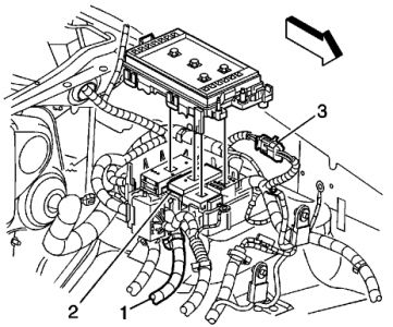
Hvac Actuators And Dash Removal Gmtnation

Hvac Actuators And Dash Removal Gmtnation

Is There A Simple Method In Replacing The Mode Door Actuator In A 2003 Chevrolet Trailblazer The Mode Door Actuator

Is There A Simple Method In Replacing The Mode Door Actuator In A 2003 Chevrolet Trailblazer The Mode Door Actuator

Hvac Blend Door Actuator Chevy Trailblazer Trailblazer Ss And Gmc Envoy Forum

Hvac Blend Door Actuator Chevy Trailblazer Trailblazer Ss And Gmc Envoy Forum

Replacing Hot Cold Blend Door Actuator Driver Side Hvac A C Reset 2002 Chevy Trailblazer Lt Youtube

Replacing Hot Cold Blend Door Actuator Driver Side Hvac A C Reset 2002 Chevy Trailblazer Lt Youtube

Chevy Blend Door Actuator Replacement Part 1 Youtube

Chevy Blend Door Actuator Replacement Part 1 Youtube

Chevy Blend Door Actuator Replacement Part 1 Youtube

Hvac Mode Actuator Door Replacement Chevy Trailblazer Trailblazer Ss And Gmc Envoy Forum

Hvac Mode Actuator Door Replacement Chevy Trailblazer Trailblazer Ss And Gmc Envoy Forum

Location Of Temperature Blend Door Actuator I Need The Location

Location Of Temperature Blend Door Actuator I Need The Location

Hvac Passenger Temp Actuator Replacement Page 2 Chevy Trailblazer Trailblazer Ss And Gmc Envoy Forum

Hvac Passenger Temp Actuator Replacement Page 2 Chevy Trailblazer Trailblazer Ss And Gmc Envoy Forum

Chevy Blend Door Actuator Replacement Part 2 Youtube

Chevy Blend Door Actuator Replacement Part 2 Youtube

How To Replace A Blend Door Actuator In Under 15 Minutes

How To Replace A Blend Door Actuator In Under 15 Minutes

Victory Driver Side Temp Door Actuator Replacement Chevy Trailblazer Trailblazer Ss And Gmc Envoy Forum

Victory Driver Side Temp Door Actuator Replacement Chevy Trailblazer Trailblazer Ss And Gmc Envoy Forum

2007 Chevrolet Trailblazer Ss Air Blend Door Actuator Questions Fixya

2007 Chevrolet Trailblazer Ss Air Blend Door Actuator Questions Fixya

Hvac Passenger Temp Actuator Replacement Chevy Trailblazer Trailblazer Ss And Gmc Envoy Forum

Hvac Passenger Temp Actuator Replacement Chevy Trailblazer Trailblazer Ss And Gmc Envoy Forum

Driver Side Actuator Location Hi My Vehicle Is Having

Driver Side Actuator Location Hi My Vehicle Is Having

How To Replace Blend Door Actuator Chevrolet Forum Chevy Enthusiasts Forums

How To Replace Blend Door Actuator Chevrolet Forum Chevy Enthusiasts Forums

Chevy Trailblazer Problem With Ac On Hot Air On Passenger Side How To Fix It Youtube

Chevy Trailblazer Problem With Ac On Hot Air On Passenger Side How To Fix It Youtube

Blend Door Fix Chevy Truck Suv Hvac Actuator Recalibration 2003 2014 Youtube

Blend Door Fix Chevy Truck Suv Hvac Actuator Recalibration 2003 2014 Youtube

Amazing Techniques To Easily Identify Blend Door Actuator Symptoms Car Rc

Amazing Techniques To Easily Identify Blend Door Actuator Symptoms Car Rc

Blend Door Actuator Repair Replace Heater Passenger Side Trailblazer 2002 Chevy Youtube

Blend Door Actuator Repair Replace Heater Passenger Side Trailblazer 2002 Chevy Youtube

2002 Gmc Envoy Heat Not Working My A C Works But My Heat Does Not

2002 Gmc Envoy Heat Not Working My A C Works But My Heat Does Not

Rear Climate Control Problem Chevy Trailblazer Trailblazer Ss And Gmc Envoy Forum

Rear Climate Control Problem Chevy Trailblazer Trailblazer Ss And Gmc Envoy Forum

How To Install Replace Blower Motor Resistor 02 09 Chevy Trailblazer 1a Auto

How To Install Replace Blower Motor Resistor 02 09 Chevy Trailblazer 1a Auto

2005 Chevy Trailblazer Rear Heater Hi The Rear Heater Vents Just

2005 Chevy Trailblazer Rear Heater Hi The Rear Heater Vents Just

Https Encrypted Tbn0 Gstatic Com Images Q Tbn 3aand9gcrccfhwpgnuto6iueixziz0zryqxg6x3yiz9zkikcze7437lsjx Usqp Cau

Https Encrypted Tbn0 Gstatic Com Images Q Tbn 3aand9gcrccfhwpgnuto6iueixziz0zryqxg6x3yiz9zkikcze7437lsjx Usqp Cau

So 5313 Dodge Nitro Blend Door Location Get Free Image About Wiring Diagram Free Diagram

So 5313 Dodge Nitro Blend Door Location Get Free Image About Wiring Diagram Free Diagram

How To Replace Heater Blower Motor 02 09 Chevy Trailblazer Youtube

How To Replace Heater Blower Motor 02 09 Chevy Trailblazer Youtube

How To Change Chevy Trailblazer Heater A C Blower Motor Fan Speed Resistor When Not Working Youtube

How To Change Chevy Trailblazer Heater A C Blower Motor Fan Speed Resistor When Not Working Youtube

Cold Air From The Rear Heater Chevy Trailblazer Trailblazer Ss And Gmc Envoy Forum

Cold Air From The Rear Heater Chevy Trailblazer Trailblazer Ss And Gmc Envoy Forum

Replacing Rear Blower Motor Ac Resistor Chevy Trailblazer 2002 Ext Lt Tips Tools Youtube

Replacing Rear Blower Motor Ac Resistor Chevy Trailblazer 2002 Ext Lt Tips Tools Youtube

Source : pinterest.com